電液推桿工作原理理論:
電液推桿是機電液一體化的新型傳動機構,由電器、液壓元件、密封圈、液壓缸等組成。通過電機正反轉,使電液推桿液壓油經過雙向齒輪油泵輸出,以液壓控制閥將壓力油送至工作油缸,將油路一個是輸出油一個是回油,實現活塞桿的往復運動。
電液推桿組成:
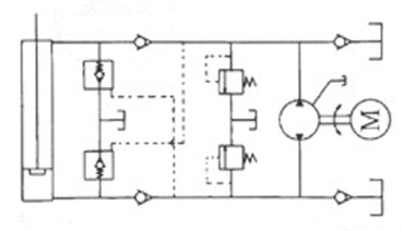
電液推桿內部組成:電機,聯軸器,齒輪泵,雙向油泵,吸油單向閥,液壓組合閥,油箱,液壓缸等,如下圖所示:
電液推桿實物外形圖:

市場上的電液推桿型號有多種,但是其原理基本是不變的,其原理主要分為兩大塊:電液推桿工作原理;電液推桿電控工作原理。
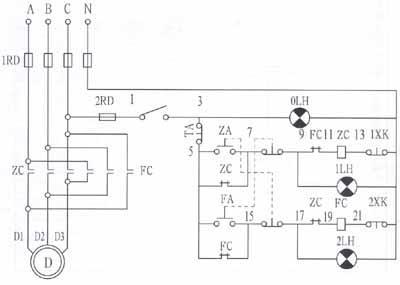
電液推桿電控工作原理圖:
電液推桿的原理圖:
電液推桿原理主要分為以上兩點,希望能幫助到大家,僅供參考。