
公 司:揚州軒得機械有限公司
地 址:江蘇省揚州高郵市湯莊工業集中區
聯系人:孫經理
電 話:13390630016
郵 箱:yzxd518@163.com
網 址:www.jaab.com.cn

技術對接,請掃碼加微信
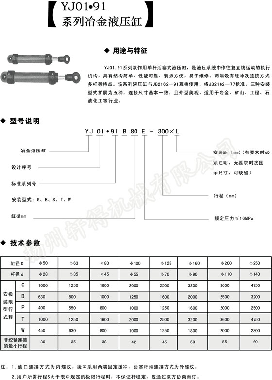
型號:LG01.91系列
品牌:軒得機械
電壓:380V(普通/防爆)、400V(出口)、
660V(普通/防爆)、1140V(防爆)
防護等級:IP54、IP55、IP65
連接方式:銷軸連接、鉸軸連接
驅動方式:電機/液壓泵站